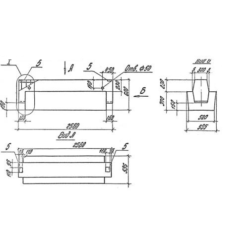
РДП 6.26
Характеристики изделия:
| Параметр | Значение |
|---|---|
| длина | 2560 мм |
| ширина | 595 мм |
| высота | 600 мм |
| масса | 1650 кг |
| нормативный документ | ГОСТ 18980-90 |
Цена:
Рассчитать стоимостьРДП 6.26 Ригели с двумя симметричными полками для опоры многопустотных плит покрытия ГОСТ 18980-90.
