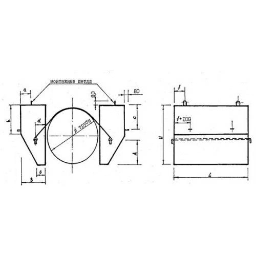
УБО 1020 утяжелители бетонные охватывающие
Характеристики изделия:
| Параметр | Значение |
|---|---|
| длина | 1500 мм |
| ширина | 550 мм |
| высота | 1100 мм |
| масса | 2938 кг |
| нормативный документ | Проект №999Б |
Цена:
Рассчитать стоимостьУБО 1020 Утяжелители бетонные охватывающие Проект №999Б.
