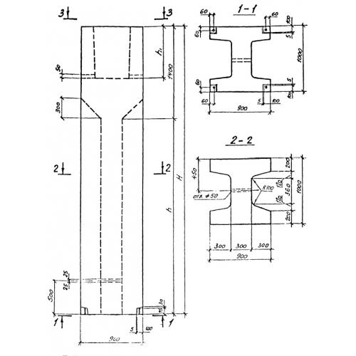
ВБ 9.10.15

Чертеж изделия:
Характеристики изделия:
ПараметрЗначение
длина900 мм
ширина1000 мм
высота1490 мм
вес3060 мм
серия0-221-84

ВБ 9.12.15 Блоки-стаканы верхние по серии 0-221-84.