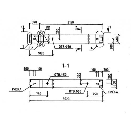
1КВ 42 колонны

Чертеж изделия:
Характеристики изделия:
ПараметрЗначение
длина3520 мм
ширина400 мм
высота400 мм
масса1407.5 кг
нормативный документСерия 1.020-1/87

1КВ 42  Колонны верхние Серия 1.020-1/87.