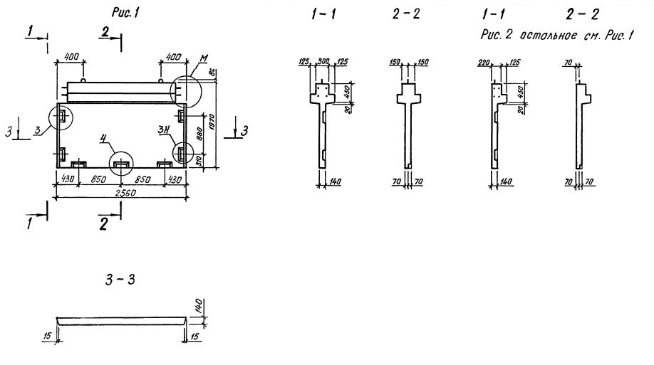
1Д 26.20

Чертеж изделия:
Характеристики изделия:
ПараметрЗначение
длина2560 мм
ширина345 мм
высота1970 мм
масса2320 кг
нормативный документСерия 1.020.1-3пв

1Д 26.20  Диафрагмы жесткости с одной полкой Серия 1.020.1-3пв.