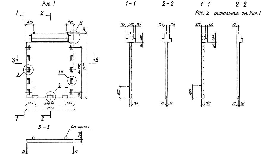
2Д 26.42

Чертеж изделия:
Характеристики изделия:
ПараметрЗначение
длина2560 мм
ширина550 мм
высота4170 мм
масса4480 кг
нормативный документСерия 1.020.1-3пв

2Д 26.42  Диафрагмы жесткости с двумя полками Серия 1.020.1-3пв.