2КНД 4.28

Чертеж изделия:
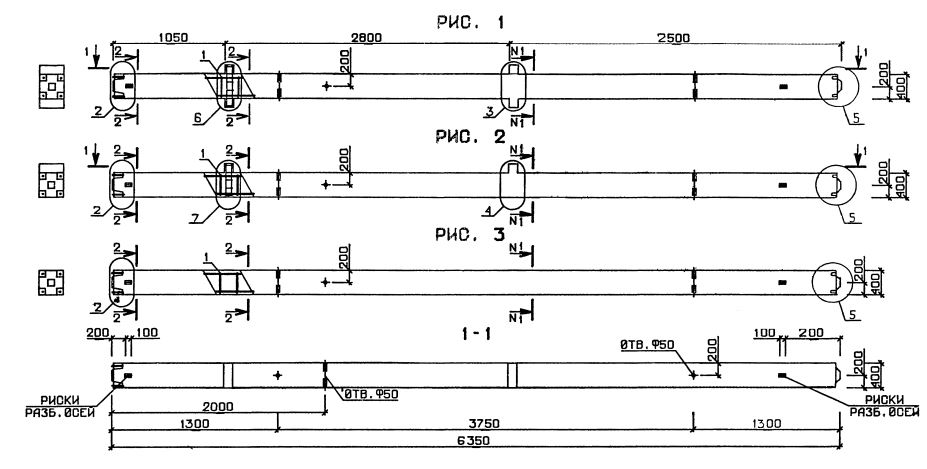
Характеристики изделия:
ПараметрЗначение
длина6350 мм
ширина400 мм
высота700 мм
масса3000 кг
нормативный документСерия 1.020.1-3пв

2КНД 4.28  Колонны нижние двухконсольные Серия 1.020.1-3пв.