ПСЦ 36.23.25

Чертеж изделия:
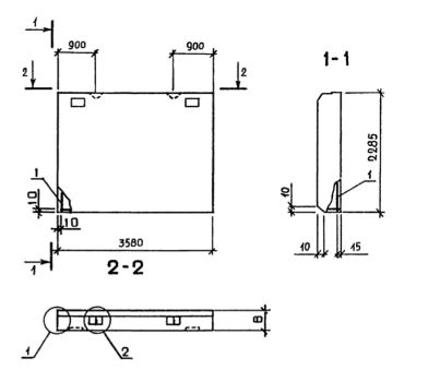
Характеристики изделия:
ПараметрЗначение
длина3580 мм
ширина2285 мм
высота250 мм
масса2740 кг
нормативный документСерия 1.020.1-3пв

ПСЦ 36.23.25  Панели стеновые цокольные Серия 1.020.1-3пв.