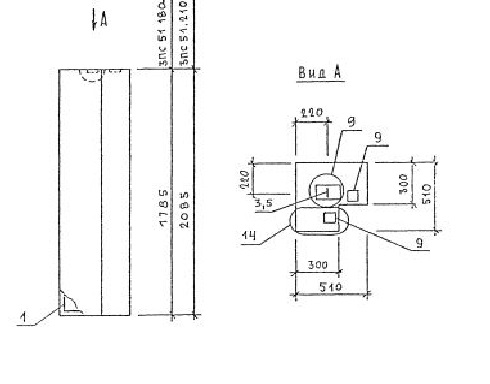
ПС 51.180.3.0 панели стеновые

Чертеж изделия:
Характеристики изделия:
ПараметрЗначение
длина510 мм
ширина300 мм
высота1785 мм
масса540 кг
нормативный документСерия 1.030.1-1/88

ПС 51.180.3.0  Панели стеновые Серия 1.030.1-1/88.