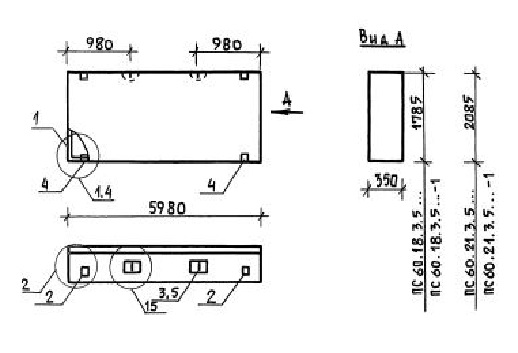
ПС 60.21.3.5 панели стеновые
Характеристики изделия:
| Параметр | Значение |
|---|---|
| длина | 5980 мм |
| ширина | 350 мм |
| высота | 2085 мм |
| масса | 6260 кг |
| нормативный документ | Серия 1.030.1-1/88 |
Цена:
Рассчитать стоимостьПС 60.21.3.5 Панели стеновые Серия 1.030.1-1/88.
| Параметр | Значение |
|---|---|
| длина | 5980 мм |
| ширина | 350 мм |
| высота | 2085 мм |
| масса | 6260 кг |
| нормативный документ | Серия 1.030.1-1/88 |
ПС 60.21.3.5 Панели стеновые Серия 1.030.1-1/88.