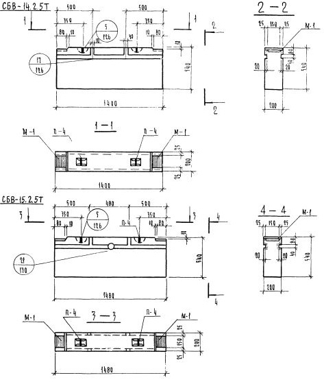
СБВ-14.2.5т

Чертеж изделия:
Характеристики изделия:
ПараметрЗначение
Длина1400 мм
Ширина200 мм
Высота540 мм
Масса375 кг
Нормативный документСерия 1.134-1

Блоки внутренних  стен  по Серии 1.134-1.

СБВ-14.2.5т   Стеновой блок внутренний.