П 36.66.12

Чертеж изделия:
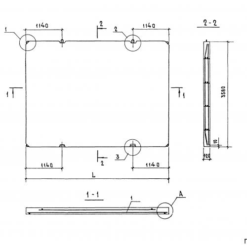
Характеристики изделия:
ПараметрЗначение
длина6580 мм
ширина3580 мм
высота120 мм
вес7070 кг
серия1.143.1-7

П 36.66.12 Плиты перекрытий по серии 1.143.1-7.