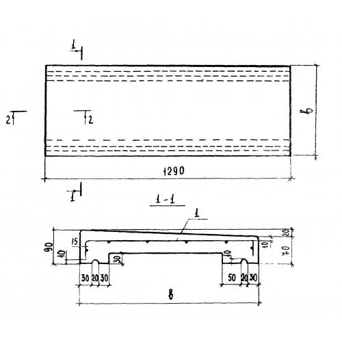
АП 13.5

Чертеж изделия:
Характеристики изделия:
ПараметрЗначение
длина1290 мм
ширина470 мм
высота90 мм
масса93 кг
нормативный документСерия 1.238-1

АП 13.5 Плиты парапетные Серия 1.238-1.