ПП 6.6

Чертеж изделия:
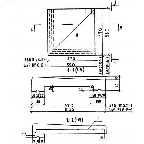
Характеристики изделия:
ПараметрЗначение
длина590 мм
ширина590 мм
высота90 мм
масса50 кг
нормативный документСерия 1.238-1

ПП 6.6  Плиты парапетные Серия 1.238-1.