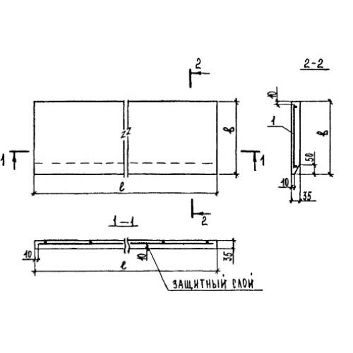
1ЛН 14.2 Накладные проступи
Характеристики изделия:
| Параметр | Значение |
|---|---|
| длина | 1350 мм |
| ширина | 220 мм |
| высота | 35 мм |
| масса | 25 кг |
| нормативный документ | Серия 1.251.1-4 |
Цена:
Рассчитать стоимость1ЛН 14.2 Накладные проступи для укладки на нижние и рядовые ступени маршей Серия 1.251.1-4.
