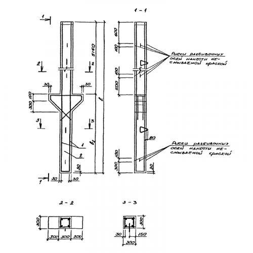
СД 120

Чертеж изделия:
Характеристики изделия:
ПараметрЗначение
длина12000 мм
ширина900 мм
высота300 мм
вес2900 кг
серия1.411.1-10.93

СД 120 Сваи двухконсольные по серии 1.411.1-10.93.