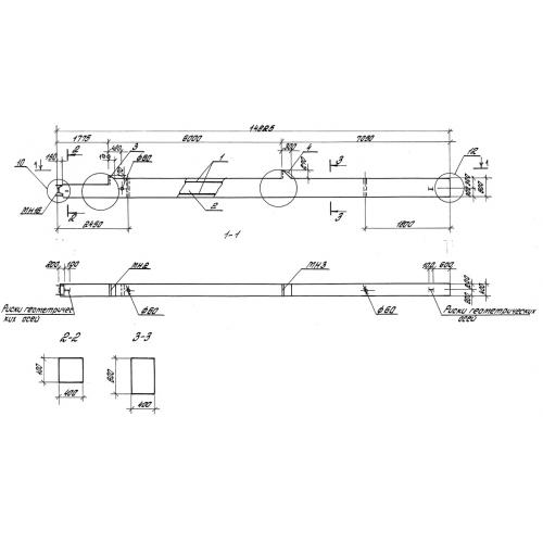
К 34 колонны

Чертеж изделия:
Характеристики изделия:
ПараметрЗначение
длина14825 мм
ширина600 мм
высота400 мм
масса8700 кг
нормативный документСерия 1.420-35.95

К 34 Колонны Серия 1.420-35.95.