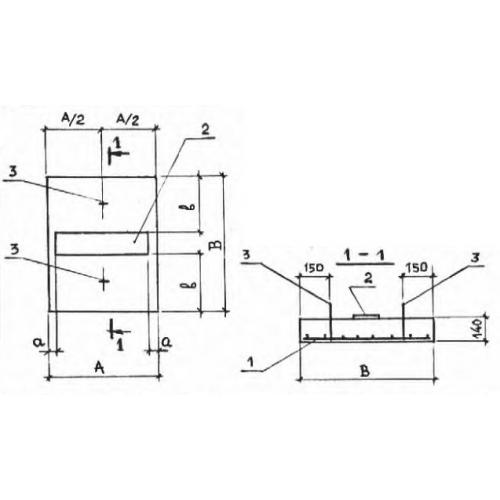
ОП 6

Чертеж изделия:
Характеристики изделия:
ПараметрЗначение
длина650 мм
ширина750 мм
высота140 мм
вес180 кг
серия3.006-2

ОП 6 Опорные подушки по серии 3.006-2.