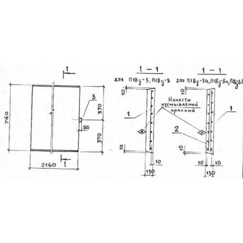
П 18д

Чертеж изделия:
Характеристики изделия:
ПараметрЗначение
длина740 мм
ширина2160 мм
высота150 мм
вес600 кг
серия3.006-2

П 18д Плиты перекрытия лотков доборные по серии 3.006-2.