П 24д

Чертеж изделия:
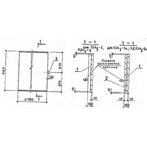
Характеристики изделия:
ПараметрЗначение
длина740 мм
ширина2780 мм
высота180 мм
вес930 кг
серия3.006-2

П 24д Плиты перекрытия лотков доборные по серии 3.006-2.