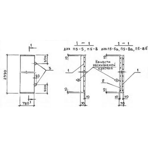
П 5

Чертеж изделия:
Характеристики изделия:
ПараметрЗначение
длина2990 мм
ширина780 мм
высота70 мм
масса410 кг
нормативный документСерия 3.006.1-2/82

П 5  Плиты перекрытия лотков Серия 3.006.1-2/82.