П 7

Чертеж изделия:
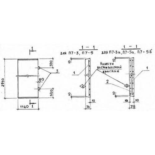
Характеристики изделия:
ПараметрЗначение
длина2990 мм
ширина1160 мм
высота70 мм
масса610 кг
нормативный документСерия 3.006.1-2/82

П 7  Плиты перекрытия лотков Серия 3.006.1-2/82.