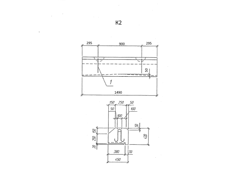
К 2
Характеристики изделия:
| Параметр | Значение |
|---|---|
| длина | 1490 мм |
| ширина | 450 мм |
| высота | 420 мм |
| вес | 600 кг |
| серия | 3.501-104 |
Цена:
Рассчитать стоимостьК 2 Кордонные блоки по серии 3.501-104.
| Параметр | Значение |
|---|---|
| длина | 1490 мм |
| ширина | 450 мм |
| высота | 420 мм |
| вес | 600 кг |
| серия | 3.501-104 |
К 2 Кордонные блоки по серии 3.501-104.
