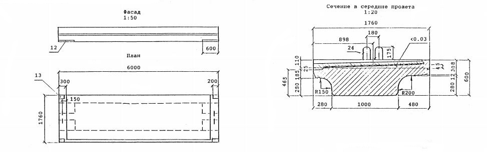
БС 1.60

Чертеж изделия:
Характеристики изделия:
ПараметрЗначение
длина6000 мм
ширина1760 мм
высота600 мм
вес11200 кг
серия3.501.1-175.93

БС 1.60  Балки плитные  с ненанрягаемой арматурой для станционных пролетных строений по серии 3.501.1-175.93.