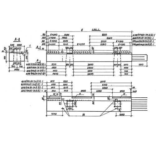
РК 81

Чертеж изделия:
Характеристики изделия:
ПараметрЗначение
длина8080 мм
ширина1400 мм
высота750 мм
вес18800 кг
серия3.503.1-100

РК 81  Блоки ригеля по серии 3.503.1-100.