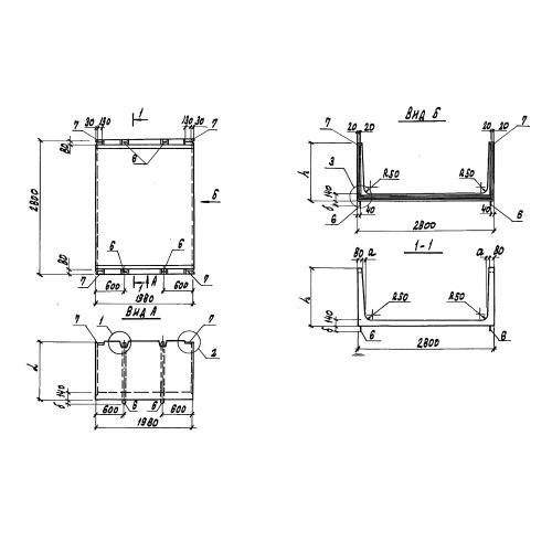
ЛК 198.280.100

Чертеж изделия:
Характеристики изделия:
ПараметрЗначение
длина1980 мм
ширина2800 мм
высота1000 мм
вес2900 кг
серия3.818.9-2

ЛК 198.280.100 Лотки для каналов навозоудаления по серии 3.818.9-2.