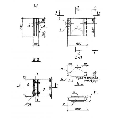
ПГ 18

Чертеж изделия:
Характеристики изделия:
ПараметрЗначение
длина1980 мм
ширина200 мм
высота1780 мм
вес1700 кг
серия3.902.1-12

ПГ 18 Панели перегородочные по серии 3.902.1-12.