П 43-21

Чертеж изделия:
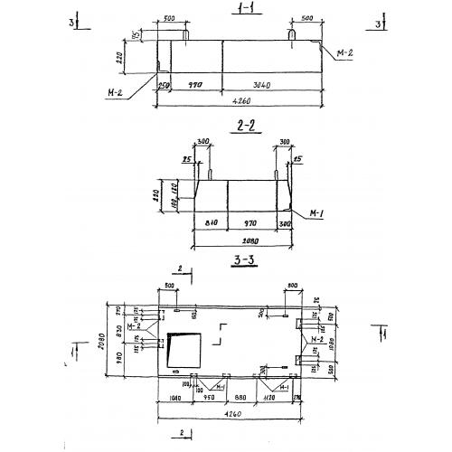
Характеристики изделия:
ПараметрЗначение
длина4260 мм
ширина2080 мм
высота220 мм
масса4360 кг
нормативный документСерия 3.903 КЛ-13

П 43-21  Плиты перекрытия по Серии 3.903 КЛ-13.