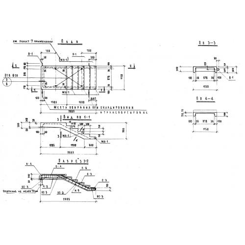
ЛМ 29-14

Чертеж изделия:
Характеристики изделия:
ПараметрЗначение
длина2885 мм
ширина1150 мм
высота900 мм
масса1020 кг
нормативный документСерия ИИС 04-7

ЛМ 29-14 Лестничные марши по Серии ИИС 04-7.