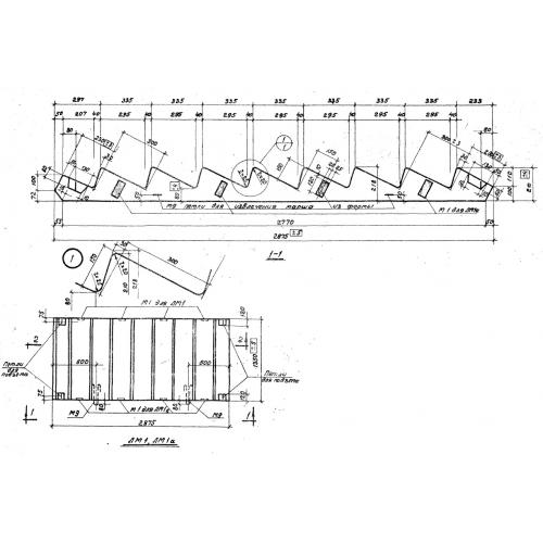
ЛМ 1

Чертеж изделия:
Характеристики изделия:
ПараметрЗначение
длина2875 мм
ширина1350 мм
высота210 мм
вес1450 кг
серияИИ 27-1

ЛМ 1 Лестничный марш по серии ИИ 27-1.