УБ 6.29

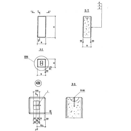
Чертеж изделия:
Характеристики изделия:
ПараметрЗначение
длина580 мм
ширина580 мм
высота290 мм
вес60 кг
Шифр1481

УБ 6.29 Угловые блоки по Шифру 1481.