ПСТ 59.21.3.5

Чертеж изделия:
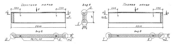
Характеристики изделия:
ПараметрЗначение
длина5910 мм
ширина350 мм
высота2085 мм
масса4830 кг
нормативный документШифр М25.13/98

ПСТ 59.21.3.5 Панели стеновые трёхслойные по Шифру М25.13/98.