КО
Характеристики изделия:
| Параметр | Значение |
|---|---|
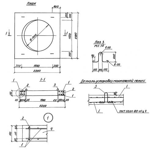
| длина | 2200 мм |
| ширина | 2200 мм |
| высота | 150 мм |
| вес | 1180 кг |
| серия | ТПР 902-09-22.84 |
Цена:
Рассчитать стоимостьКО Плиты по проекту ТПР 902-09-22.84.
| Параметр | Значение |
|---|---|
| длина | 2200 мм |
| ширина | 2200 мм |
| высота | 150 мм |
| вес | 1180 кг |
| серия | ТПР 902-09-22.84 |
КО Плиты по проекту ТПР 902-09-22.84.
